화재 등과 같은 천재지변을 제외하고는 염소의 대기 중 누출은 염소 설비의 시운전, 주기적 정비 후에 일시적으로 일어나는 현상들로 주로 다음의 부분에서 일어난다.
- ● FLEXIBLE CONNECTION FAILURE
- ● VALVE PACKING FAILURE
- ● PRESSURE PIPELINE FAILURE
- ● EQUIPMENT CONNECTION FAILURE
- ● CHLORINE CONTAINER FAILURE
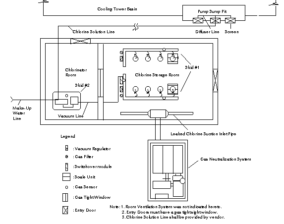
염소의 누출은 염소 용기 보관실에 국한되므로 대기 밖으로 확산되지는 않으나 이들이 보관실내 대기 중에 있는 수분과 반응하여 보관실에 설치된 염소 설비를 강력하게 부식을 시키므로 누출된 염소는 100 % 중화되어야 한다.
염소 가스 누출은 누출 검지기에 의해 검지 되어 염소 가스 누출 검지기에 SETTING(보통 4 PPM에 SETTING)치보다 높게 검지 될 경우, 중화 설비의 NaOH SOLUTION 순환 펌프가 동작된 다음 5-6초 후에 BLOWER가 동작되면서 보관실에 누출된 GAS를 전부 흡입 하여 중화 시키는 것입니다. 염소의 중화는 3 단계 방법으로 99.99 % 까지 중화가 되며, 중화 설비 출구 측 염소 농도는 5 PPM 이하여야 한다.
UFC(UNIFORM FIRE CODE)와 UBC(UNIFORM BUILDING CODE)에 의거하여 설계 제작 되는 중화 설비는 30분 안에 저장된 용기 중 가장 큰 크기의 한 통을 완전히 중화할 수 있도록 제작되면 되지만, 최악의 상태를 고려하여 냉각탑의 경우는,
- ● 100 Kg CYLINDER가 4개 미만일 경우는 염소 100 Kg을 중화하는 설비
- ● 100 Kg CYLINDER가 4개 이상 6개 미만일 경우는 염소 200 Kg을 중화하는 설비
- ● 100 Kg CYLINDER가 6개 이상 10개 미만일 경우는 염소 300 Kg을 중화하는 설비
- ● 1,000 Kg CONTAINER가 4개 미만일 경우는 염소 1,000 Kg을 중화하는 설비
- ● 1,000 Kg CONTAINER가 4개 이상 6개 미만일 경우는 염소 2,000 Kg을 중화하는 설비
- ● 1,000 Kg CONTAINER가 6개 이상 10개 미만일 경우는 염소 3,000 Kg을 중화하는 설비를 갖추는 것이 일반적이다.
한편 누출된 염소 가스가 외부로 누출되지 않도록 하기 위해서는 보관실이 어느 정도 부압이 걸리도록 DESIGN하여야 하며 이에 필요한 AIR VENTILATION SYSTEM(EXHAUSTING FAN & BACKDRAFT DAMPERS)이 보관실에 설치되어야 합니다.
당사에서 공급하는 중화 설비는 ICBO에서 실제로 염소 중화 시험을 거쳐 인증된 것으로 다음의 그림 같이 SKID로 공급되기 때문에 설치 및 운전이 용이하며 높은 중화 효율이 보장되는 설비입니다.

염소 중화 설비에 대한 자세한 내용은 영문판을 참고하시기 바랍니다.
|