| FAN의 CENTERLINE이
FAN STACK의 STRAIGHT ZONE의 어디에 설치 되는 것이 좋은
가를 결정 하 는 절차에 대하여 실제 예를 들어 알아 본다.
예제) HUDSON의 16' FAN, 감속기는 AMARILLO의 MODEL
155인 경우
|
HUDSON이
추천하는 BLADE TIP의 LEADING EDGE와 그 아래
장애물과의 이격 거리는 MAX. DEFLECTION에 6" 정 도
더한 간격를 유지하는 것이다. 최대 각도 22° 때의 최대 처짐
양에 대한 그 위치 위로 장애물이 있어서는 안 된다는 것이다.
16' FAN의 경우 22° PITCH ANGLE에서 MAX.
DEFLECTION은 6"이므로 여기에 6"를 더하면 12"가
된다. 즉 최대 각도 22°에서 BLADE TIP의 LEADING
EDGE로 부 터 12" 내에는 일체의 장애물이 있어서는 안 된다는
것을 의 미한다. |
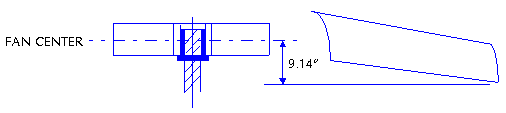
FAN CENTER를 기준으로 최대 각도 22°가 되었을 때 CENTERLINE에서
LEADING EDGE까지의 거리 는 16' FAN의 경우 9.14" 이며
따라서 FAN CENTER를 기준으로 할 경우 9.14" + 12" =
21.14"가 되어 이 를 기준으로 장애물이 위로 올라 와서는 안 된다.

|
감속기
MODEL 155의 경우는 OUTPUT SHAFT의 직경이 2.999
± 0.005"로 16¢ FAN의 경우 R2 BUSHING 3"를
사용 하게 된 다. BUSHING의 HEIGHT가 4-7/8"이므로
감속기 OUTPUT SHAFT는 BUSHING HEIGHT -1/16"
만큼 삽입하게 된다. 즉 4- 14/16 - 1/16 = 4-13/16"
= 4.8125"가 삽입 되는 셈이다. (SHAFT의 TOP과
BUSHING TOP을 일치 시키게 되면, 그것에 CLAMPING
FORCE가 발생되어 BUSHING 파괴의 원인이 되므 로 SHAFT
TOP은 BUSHING TOP보다 1/16" 낮게 하는 것이
좋 다.) |
그러면 BUSHING TOP과 FAN CENTER LINE과의 거리는
16¢ FAN의 경우 BUSHING 1/4" 아래에 위 치한다. 따라서 FAN
CENTER LINE에서 최대 각도 때의 BLADE TIP의 처짐 양 그리고
6" MARGIN의 총합은 9.14 + 6 + 6 - 1/4 = 20.89"
= 21"인 셈이다. 감속기 MODEL 155의 경우 OUTPUT SHAFT
END에 서 INPUT SHAFT END의 중심선 까지의 거리는 22.1875"로
위에서 구한 20.89"에 비해 1.2975" 여유가 있는 셈이다. 그러나
감속기 INPUT SHAFT에는 MOTOR와 연결되는 COUPLING SHAFT가
있으므로 이것의 외경을 고려하면 여유가 전혀 없는 것과 다름없다. 이런
이유로 AMARILLO는 감속기 OUTPUT SHAFT의 길이를 길게 만든
것이므로 국내 감속기 또는 일본 감속기에 ENGINEER들이 AMARILLO의
감속기 축 길이가 길므로 자르도록 요청하는 것을 자주 본다. 절대로 잘라서는
안 되는 이유를 위에서 살펴 보았다.

|